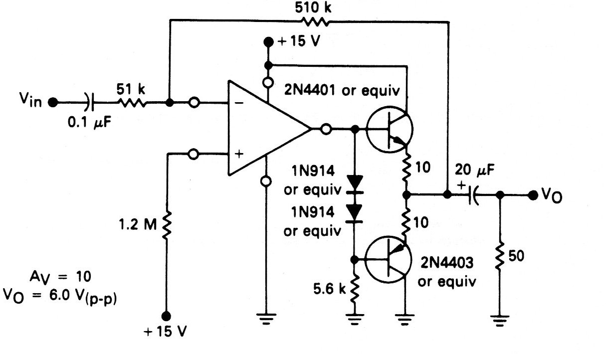
Este circuito es de un manual de operacionales antiguo, pudiendo ser implementado con operacionales de tipos que dependen de la aplicación. La fuente no necesita ser simétrica y los transistores admiten equivalentes.
Un resistor de realimentación positiva de 1 M hace que dos puertos NAND comunes de un circuito...
Esta circuitería de baja potencia que se encuentra en una documentación antigua puede diseñarse en base...
En la figura tenemos tres configuraciones de duplicador de tensión que se pueden usar en fuentes de...