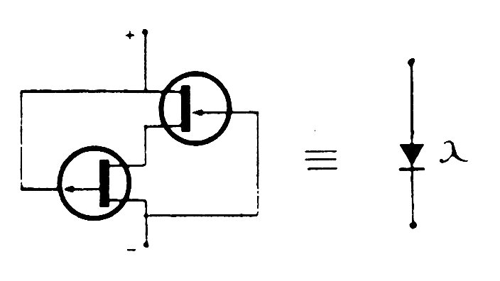
Esta configuración elaborada con FETs comunes de unión tiene una característica similar a la de los diodos túnel que pueden operar en frecuencias muy altas.
Este circuito hace que un relé cierre sus contactos alimentando una carga por un cierto tiempo...
Este pequeño radio para la banda AM utiliza cuatro transistores con un amplificador complementario para...
Este circuito de sólo 3 componentes hace que una pequeña lámpara parpadee con el sonido de su...