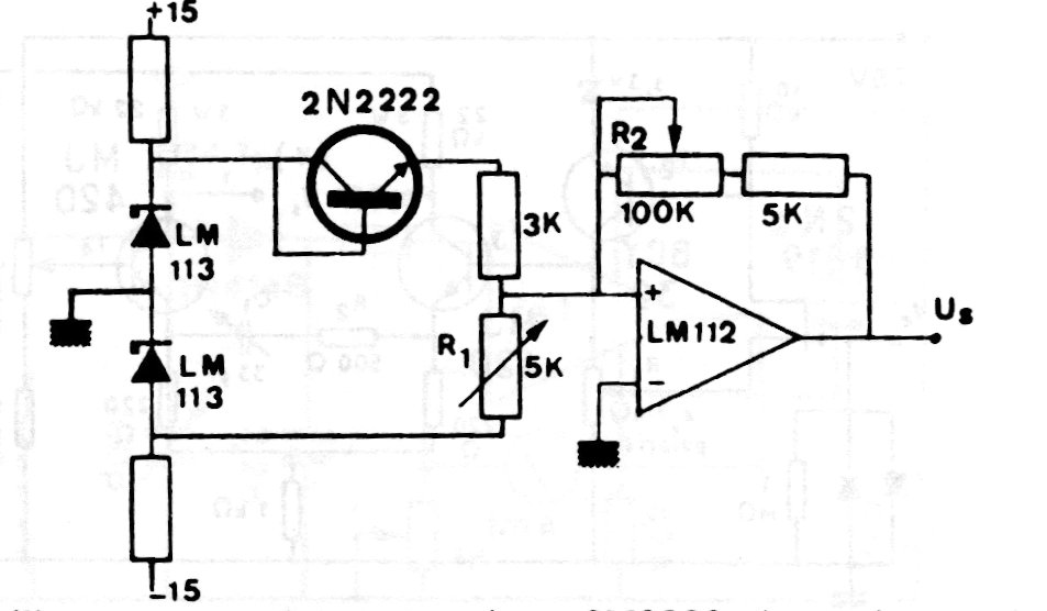
Los sensores y el circuito integrado utilizados en este circuito son poco comunes en nuestros días. Sin embargo, vale la configuración para efecto de consulta.
Un comparador de tensión de precisión, usando diodo zener como referencia puede ser implementado con un...
Este pequeño radio experimental, muy simple, capta bien las estaciones locales de la banda de...
El oscilador rectangular presentado en la figura hace uso de una de las cuatro puertas NAND de un...