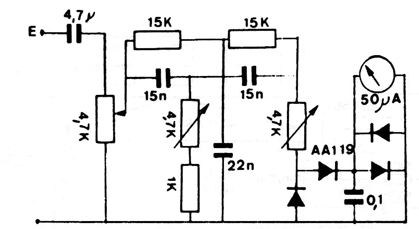
Este interesante circuito pasivo de una publicación de los años 80 mide la distorsión de una señal de audio. El instrumento indicador puede ser la escala más baja de las corrientes de un multímetro común. La medida de la distorsión se hace por la comparación de tensiones.




