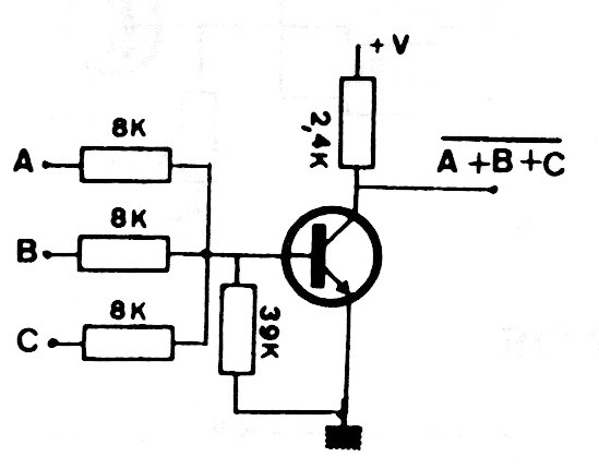
Este circuito de función NOR o no-O con un transistor de uso general puede ser alimentado por tensiones de 5 a 12 V, según la lógica de interfaz. El circuito funciona como shield.

Este circuito de función NOR o no-O con un transistor de uso general puede ser alimentado por tensiones de 5 a 12 V, según la lógica de interfaz. El circuito funciona como shield.
