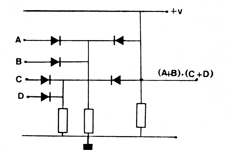
En este circuito, que utiliza sólo diodos, tenemos las dos funciones simultáneas. Los diodos son de uso general y los resistores tienen valores típicos de 2k2.
Un comparador de tensión de precisión, usando diodo zener como referencia puede ser implementado con un...
Este pequeño radio experimental, muy simple, capta bien las estaciones locales de la banda de...
El oscilador rectangular presentado en la figura hace uso de una de las cuatro puertas NAND de un...