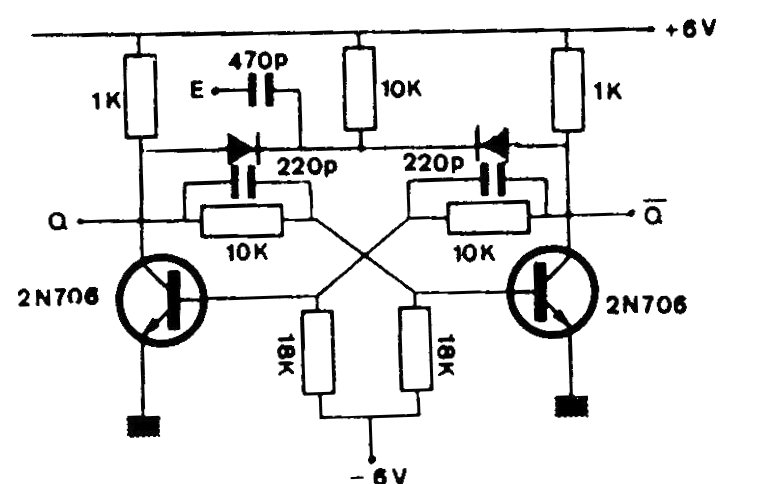
Esta configuración convencional de flip-flop con dos transistores fue encontrada en una documentación de los años 80. Los transistores admite equivalentes.
Un comparador de tensión de precisión, usando diodo zener como referencia puede ser implementado con un...
Este pequeño radio experimental, muy simple, capta bien las estaciones locales de la banda de...
El oscilador rectangular presentado en la figura hace uso de una de las cuatro puertas NAND de un...