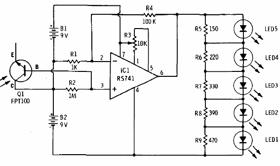
Encontramos este circuito en un catálogo de Radio Shack de 1977. Podemos montarlo con cualquier foto-transistor y los LEDs son comunes eventualmente con la necesidad de un resistor de 100 ohms en serie con pin 6 del CI para una limitación de corriente. El ajuste del punto de nulo se realiza en R3.




