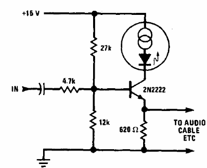
Este circuito, de un manual de National Semiconductor de 1976 tiene por finalidad la corriente en una carga usando un LED como referencia para una fuente de corriente constante. El transistor admite equivalentes y la tensión del circuito puede ser modificada.




