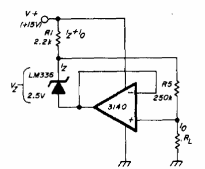
Encontramos este circuito en una documentación para radioaficionados americanos de 1977. El circuito integrado LM336 es un regulador de National con una tensión de referencia de 2,5 V. La tensión máxima de entrada'pe de 15 V.

Encontramos este circuito en una documentación para radioaficionados americanos de 1977. El circuito integrado LM336 es un regulador de National con una tensión de referencia de 2,5 V. La tensión máxima de entrada'pe de 15 V.
