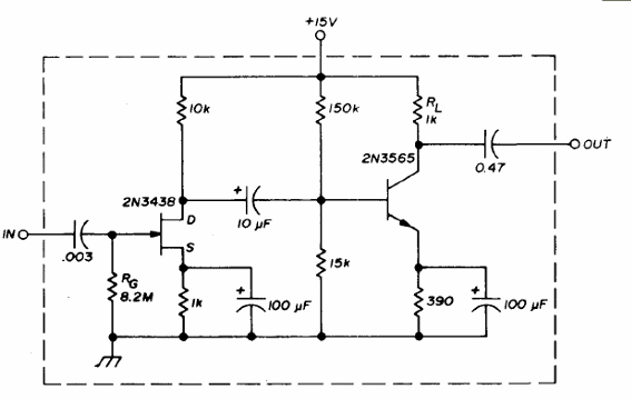
Este circuito, de una documentación de 1976 amplifica señales de 100 Hz hasta 600 kHz con un ventilador de tensión de 4 veces. La impedancia de entrada es elevada, pudiéndose realizar cambios en los valores de los componentes para que el rendimiento sea optimizado. Los valores de los capacitores no estandarizados pueden aproximarse a los valores actuales.




