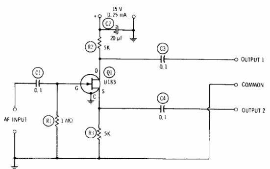
Este circuito fue encontrado en una documentación de 1977. La ganancia es de 3 dB y en lugar del transistor original se puede utilizar el BF245 o MPF102. Las salidas proporcionan señales con fases opuestas. La frecuencia de entrada puede llegar hasta 50 kHz y la alimentación puede oscilar entre 9 y 15 V.




