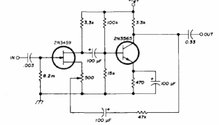
Este circuito combina transistores de efecto de campo y bipolar para obtener una ganancia 20 con una banda pasante que alcanza algunos megahercios. El FET puede ser el BF245 y el bipolar el 2N2222. Los condensadores se pueden cambiar a valores estandarizados cercanos. La alimentación se realiza con una tensión de 5 V.




