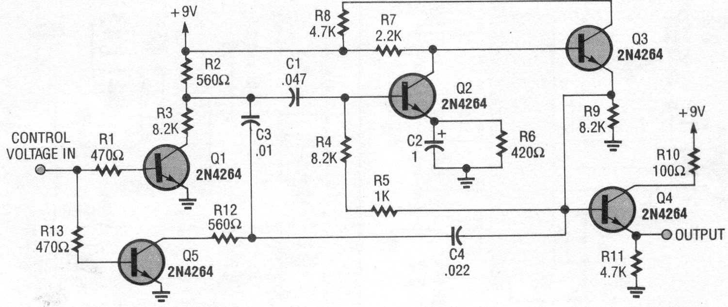
Este circuito fue encontrado en una documentación técnica de los años 90. Los transistores pueden ser equivalentes de uso general y la frecuencia depende de los capacitores, que pueden ser alterados conforme a la aplicación.
Este circuito hace que un relé cierre sus contactos alimentando una carga por un cierto tiempo...
Este pequeño radio para la banda AM utiliza cuatro transistores con un amplificador complementario para...
Este circuito de sólo 3 componentes hace que una pequeña lámpara parpadee con el sonido de su...