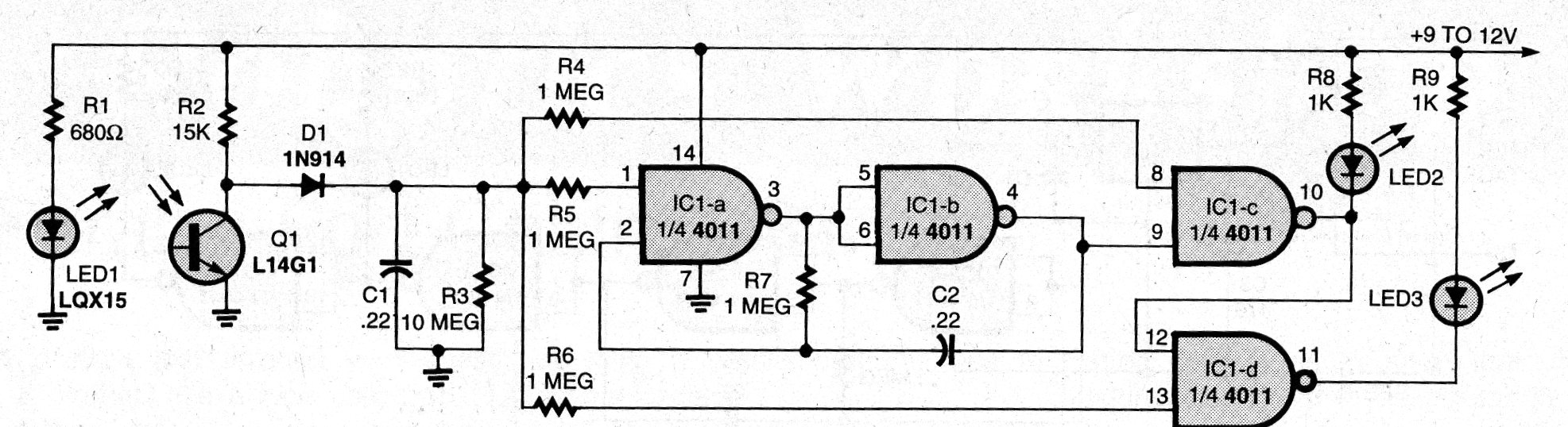
Cuando un modelo de composición ferroviaria cruza un paso de nivel, interrumpiendo la luz en el sensor, este circuito hace dos LED amarillos parpadeando en un señalizador en miniatura. El circuito es de una publicación americana antigua y el foto-transistor puede ser de cualquier tipo.




