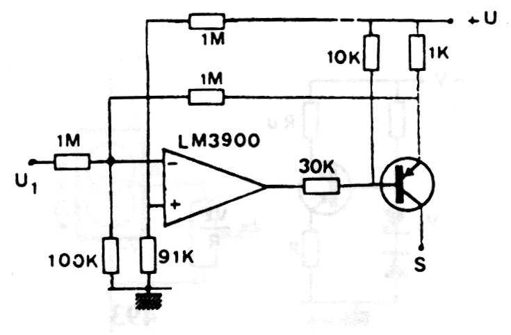
Este circuito fue encontrado en una documentación de los años 80. El transistor depende de la intensidad de la corriente deseada en la carga. La intensidad de esta corriente está controlada por la tensión de entrada.
Este circuito hace que un relé cierre sus contactos alimentando una carga por un cierto tiempo...
Este pequeño radio para la banda AM utiliza cuatro transistores con un amplificador complementario para...
Este circuito de sólo 3 componentes hace que una pequeña lámpara parpadee con el sonido de su...