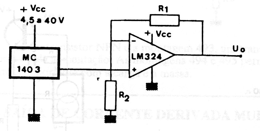
Este circuito se basa en la referencia de tensión poco común en nuestros días MC1403. Los equivalentes se pueden utilizar, así como el amplificador operacional que no necesita una fuente simétrica. R1 y R2 tienen valores típicos entre 10k y 100k.
Este circuito hace que un relé cierre sus contactos alimentando una carga por un cierto tiempo...
Este pequeño radio para la banda AM utiliza cuatro transistores con un amplificador complementario para...
Este circuito de sólo 3 componentes hace que una pequeña lámpara parpadee con el sonido de su...