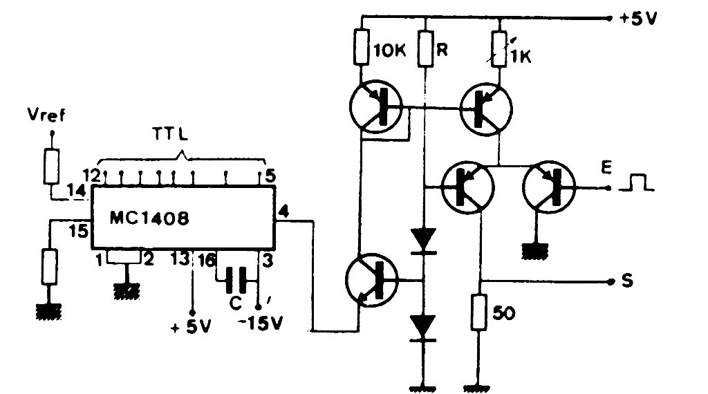
Este circuito se basa en un MC1408, un circuito integrado que no es común en nuestros días. Los transistores pueden ser de uso general o conmutación y la sensibilidad de entrada para salida de 0 a 10 V es de 4 mV. El circuito puede funcionar como shield.




