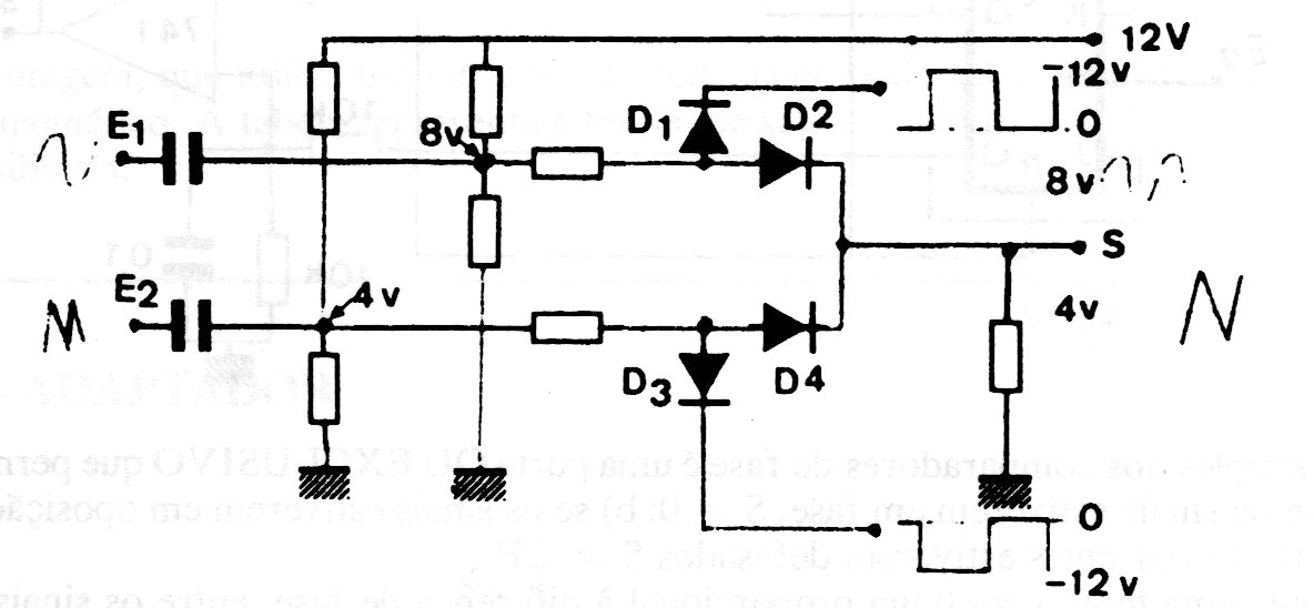
Esta configuración de conmutación de señales utiliza sólo diodos comunes de uso general como los 1N4148. Los resistores dependen de la aplicación teniendo valores típicos entre 1 k y 10k. El circuito es para pequeñas señales.
Este circuito hace que un relé cierre sus contactos alimentando una carga por un cierto tiempo...
Este pequeño radio para la banda AM utiliza cuatro transistores con un amplificador complementario para...
Este circuito de sólo 3 componentes hace que una pequeña lámpara parpadee con el sonido de su...