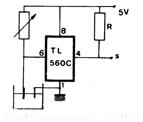
Este circuito se utiliza para detectar el nivel de agua de un depósito. Acciona la carga cuando el agua toca los electrodos sensores. El circuito puede ser utilizado como shield, pero el integrado utilizado no es común actualmente.

Este circuito se utiliza para detectar el nivel de agua de un depósito. Acciona la carga cuando el agua toca los electrodos sensores. El circuito puede ser utilizado como shield, pero el integrado utilizado no es común actualmente.
