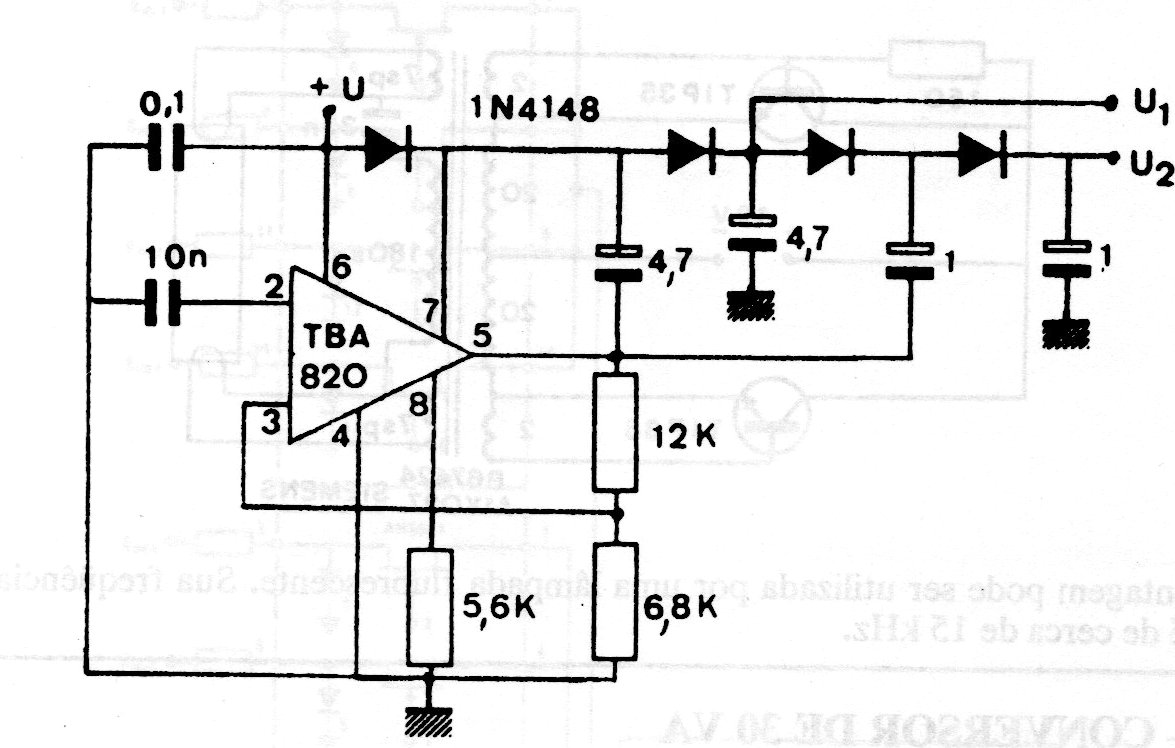
Este circuito capaz de elevar una tensión con tenia según la tabla dada junto al diagrama utiliza un operacional que en realidad es un amplificador de audio de potencia del orden de 1 W como máximo. El circuito no utiliza una fuente simétrica y la corriente de salida es baja.





