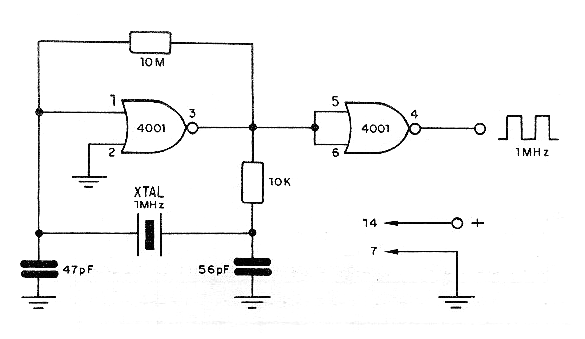
Este circuito genera una señal rectangular de 1 MHz, determinada por el cristal. La alimentación debe realizarse con tensiones de 5 a 12 V y el cristal puede tener otras frecuencias dentro de la capacidad de operación del circuito integrado. Los capacitores deben ser cerámicos.




