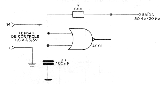
Las señales en un rango de frecuencias algo amplio en torno a la determinada por C1 pueden ser generadas por este circuito. La tensión de control es la propia tensión de alimentación del circuito, ya que para este tipo de componente, la frecuencia depende bastante de la alimentación. Se puede cambiar la frecuencia central de las oscilaciones con el cambio de C1. Para el valor indicado, la frecuencia estará entre 20 y 50 Hz. Con mayor tensión tendremos mayor frecuencia. La señal de salida es rectangular.




