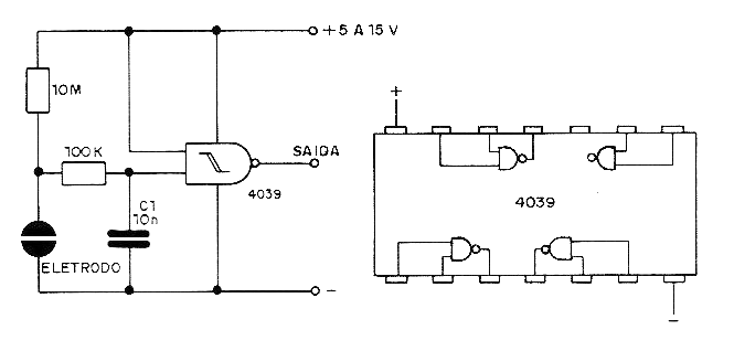
Un toque en el sensor de este circuito, que consiste en dos planchas cercanas, hace que la salida del circuito cambie de nivel. El capacitor tiene por función evitar el repique y su valor puede ser alterado, y caso de necesidad. El circuito no debe ser alimentado por fuente sin transformador. Las otras puertas del 4093 se pueden utilizar para otros propósitos, ya que son independientes. El resistor de 10 M determina la sensibilidad al tacto y puede cambiarse. No utilice cables largos hasta el sensor.




