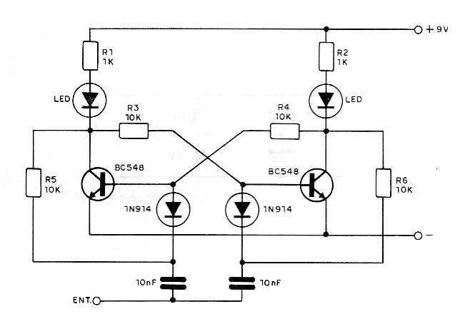
Los pulsos negativos aplicados a la entrada hacen que este flip-flop cambie de estado, lo que será indicado por los LEDs conectados a los colectores de los transistores. Para el disparo por tacto se puede utilizar un transistor común resistor de 10 k en el colector y una resistencia de 1M en la base, conectada a un sensor. El circuito tiene bajo consumo y puede ser alimentado por pilas. Finalmente, en caso de disparo errático o falta de sensibilidad, los valores de los resistores de 10 k se pueden cambiar en el rango de 4k7 a 47 k ohms.




