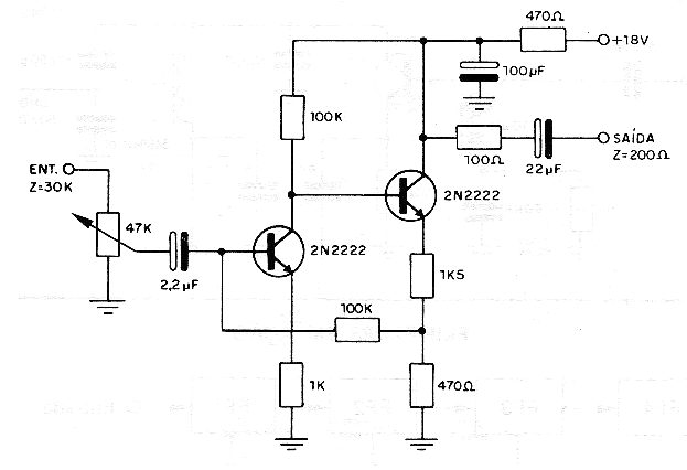
El paso amplificador de audio mostrado tiene una ganancia de 10 dB. La impedancia de entrada es de 30 k ohms y la impedancia de salida de 200 ohms. El circuito se puede utilizar como un excelente preamplificador de audio para micrófonos de baja impedancia u otras fuentes de señal. Se pueden usar transistores equivalentes a los recomendados. La alimentación debe venir de fuente con excelente filtrado.




