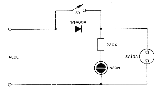
Con el circuito indicado se puede dejar un soldador medio calentado, o en una posición de baja potencia, lo que ocurre cuando S1 está abierta y sólo la mitad de los semiciclos de la alimentación son conducidos. Con el diodo utilizado el circuito admite soldadores hasta 100 W. No utilice este circuito con aparatos electrónicos o lámparas electrónicas. Atención, pues el circuito no tiene aislamiento de la red de energía.




