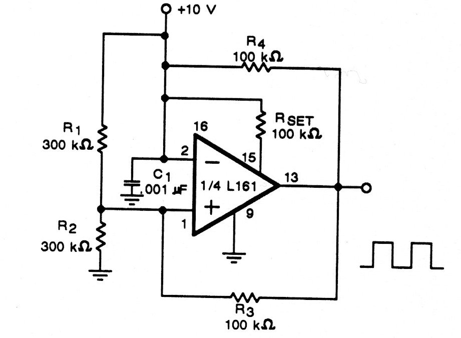
El circuito integrado utilizado en este circuito de los años 90 no es común actualmente, pero la configuración puede ser adaptada para operar con componentes modernos. El circuito no requiere una fuente simétrica y la frecuencia es dada por C1.
Esta y la aplicación original del pulsador de bajo consumo de National Semiconductor LM3909. El LED...
La energía que alimenta el circuito amplificador de esta radio se obtiene de la propia señal. La...
Este circuito se encontró en la edición de noviembre de 1992 de la revista Radio Electronics. El...