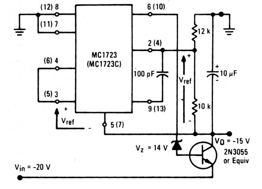
Encontramos este circuito en una documentación de los años 90. El circuito integrado es el equivalente Motorola del 723 y el transistor puede ser también el TIP31, que debe ser dotado de disipador de calor.
Esta y la aplicación original del pulsador de bajo consumo de National Semiconductor LM3909. El LED...
La energía que alimenta el circuito amplificador de esta radio se obtiene de la propia señal. La...
Este circuito se encontró en la edición de noviembre de 1992 de la revista Radio Electronics. El...