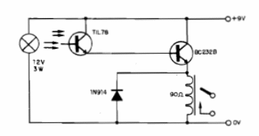
Este circuito se utiliza en una llave o acoplador óptico en el que la distancia entre el emisor y el foto-transistor puede llegar a 10 mm. El circuito puede ser alimentado por tensiones de 9 V y el relé usado es de 100 mA. Se pueden utilizar transistores equivalentes como el BC548. La lámpara puede ser sustituida por un LED de potencia equivalente. El circuito es sugerido por Texas Instruments en su Manual de Optoelectrónica.




