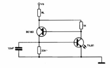
El circuito presentado simula un foto-SCR o foto-tiristor, disparando cuando la luz incide en el foto-transistor. Equivalentes al foto-transistor indicado y al transistor pueden ser utilizados. Para el transistor se puede utilizar un BC557. La tensión de alimentación puede oscilar entre 6 y 12 V típicamente. Este circuito fue sugerido por Texas Instruments.




