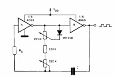
El potenciómetro con el diodo en el cursor controla el ciclo activo mientras que el otro potenciómetro actúa sobre la frecuencia. Este circuito proporciona señales rectangulares cuya frecuencia depende de C. Este componente puede tener valores entre 100 pF y 1 uF. La tensión de alimentación debe estar entre 5 y 15 V. Véase en otros artículos que utilizan este componente su pinza. Se aprovechan dos inversores de los seis inversores existentes en este circuito integrado.




