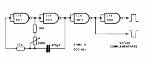
Este circuito genera señales rectangulares complementarias en una frecuencia que puede llegar a los 5 MHz. Esta frecuencia es dada por el condensador y ajustada en el trimpot. Se pueden generar frecuencias mucho más bajas, para la excitación de inversores, por ejemplo. También se puede utilizar el circuito integrado 4011. La alimentación positiva es en el pin 14 y la tierra en el pino 7. La tensión de alimentación puede variar de 5 a 15 V.




