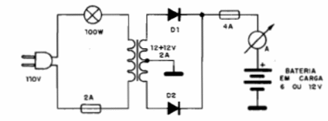
Este cargador de baterías de 6 a 12 V del tipo plomo-ácido utiliza como limitador de corriente una lámpara en serie con el primario del transformador. El transformador es de 12 + 12 V x 2 A tanto para la carga de baterías de 6 V como de 12 V, ya que la limitación y caída viene de la lámpara. Los fusibles protegen el circuito y para una carga más lenta o las baterías más pequeñas puede reducirse la potencia de la lámpara. El amperímetro (opcional) mide la intensidad de la corriente de carga.




