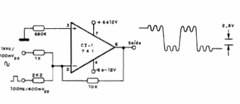
Este circuito combina dos señales, siendo un rectangular de 100 Hz y otro senoidal de 1 kHz. Este circuito se puede ver en simulación en la sección de circuitos simulados. La fuente de alimentación debe ser simétrica y los amplificadores operativos equivalentes se pueden emplear. En la entrada se pueden añadir otras señales, teniendo en cuenta la amplitud, y su acción dada por los valores de los resistores en serie. Recuerde que el circuito no funciona con señales más allá de unos 100 kHz.




