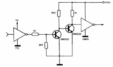
El circuito muestra la manera correcta de hacer el interfaz de un circuito TTL alimentado por 5 V con un circuito CMOS alimentado por 12 V. Los transistores son tipos de conmutación y los puertos lógicos son de cualquier tipo de las familias correspondientes. Este circuito funciona como shield.




