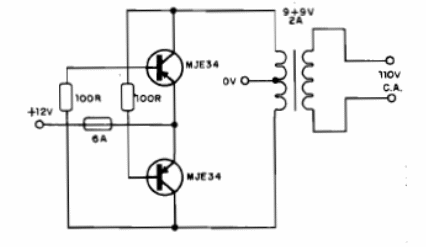
En realidad, este circuito no produce exactamente 110 V y bien su frecuencia es exactamente 60 Hz. Se trata por lo tanto de una aplicación para alimentación exclusiva de equipos de bajo consumo (hasta 20 W) tales como lámparas fluorescentes, barberías eléctricas, etc. Nunca utilice con equipos electrónicos sensibles porque la frecuencia y la tensión no están reguladas. Para mejorar el rendimiento puede ser necesario conectar un capacitor de 22 nF a 220 nF entre los extremos del primario del transformador. Los transistores admite equivalentes como los TIP42 que deben estar dotados de buenos radiadores de calor.




