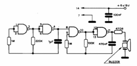
Este circuito imita el sonido de un grillo, con frecuencia y efecto dado por los condensadores (que pueden ser alterados). El transductor es una cápsula piezoeléctrica sin oscilador (común). La alimentación se puede realizar con pilas o batería ya que el consumo es muy bajo. El circuito integrado puede ser el 4011 o el 4001.




