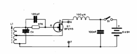
Con 20 + 20 espiras de hilo 28 AWG en un bastón de ferrita de 1 cm de diámetro de 10 a 15 cm de longitud, este transmisor emite señales en el rango de 4 a 20 MHz. El alcance depende de la antena y de la sensibilidad del receptor. Se trata de un circuito de onda continua (CW) que puede utilizarse en transmisiones telegráficas. El choque de RF es del tipo comercial y los capacitores deben ser cerámicos.




