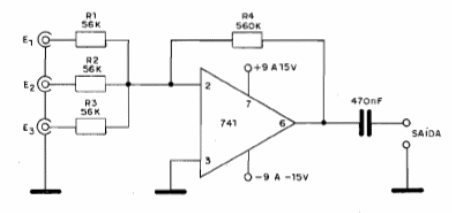
Este simple mezclador de tres entradas tiene una ganancia de tensión de 10 veces dada por la relación entre R4 y los resistores de entrada. La fuente de alimentación debe ser simétrica y los cables de entrada y de salida de señal deben ser blindados. Se pueden añadir potenciómetros de 100 k ohms en la entrada de cada canal para controlar la intensidad de la señal. Se pueden utilizar amplificadores operativos equivalentes y para una versión estéreo se deben montar dos unidades, una para cada canal..




