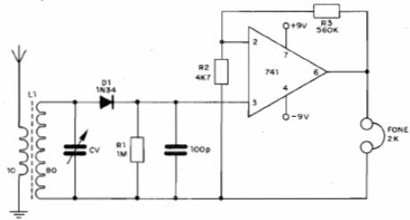
Esta radio experimental para la banda de ondas medias utiliza como alimentación dos baterías de 9 V como fuente simétrica. El auricular debe ser de alta impedancia o bien una cápsula piezoeléctrica. La ganancia del circuito es dada por R3 que puede ser alterado. L1 está formada por 10 espiras de hilo 28 y secundario con 80 espiras del mismo hilo, en un bastón de ferrita de 12 a 30 cm de longitud. El condensador variable CV fue obtenido de una radio antigua de ondas medias fuera de uso. El diodo de germanio admite equivalentes. Otros amplificadores operacionales. La antena es un pedazo de hilo de 2 a 10 metros de largo.




