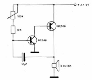
Este metrónomo produce chasquidos intervalos en un altavoz pequeño. La frecuencia es ajustada por el potenciómetro de 100k y depende también del condensador. Para mayor intensidad de sonido, cambie el BC558 por un BD136 montado en un disipador de calor y alimente el circuito con 12 V.. En el sitio también hay otros circuitos de metrónomo con más recursos.




