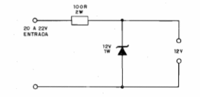
Este circuito regula la tensión de fuentes de 20 a 22 V en 12 V para alimentación de cargas de 12 V hasta 100 mA. El zener es de 1 W y la resistencia debe ser de hilo. Vea circuitos similares en la sección de Circuitos Simulados. El zener puede ser cambiado por otros en el rango de 3 a 12 V para obtener otras tensiones de salida.




