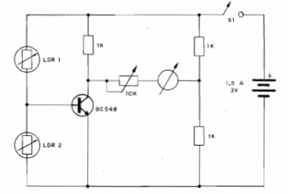
Este circuito tiene por objeto comparar la luz que incide en dos sensores. Puede ser utilizado en la comparación de tonalidad de tintas, iluminación, etc. El indicador es un microamperímetro de 0-200 uA de fondo de escala o un miliamperímetro de 0-1 mA. El trimpot de 10 k ajusta el final de escala del instrumento Se puede conectar un potenciómetro de 10 k entre los resistores de 1k con el cursor en el instrumento para ajuste de equilibrio.




