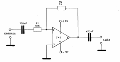
Esta es la configuración común para obtener un amplificador operacional para corriente alterna con ganancia 100. Los resistores R2 y R1 determinan la ganancia. La fuente de alimentación debe ser simétrica. En los circuitos simulados este amplificador funciona en el Multisim y también en la sección de matemáticas para electrónica como calcular los componentes de este circuito.




