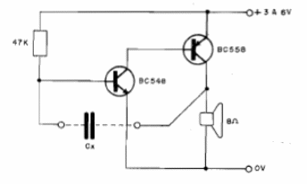
Podemos evaluar el valor de un capacitor o comparar dos capacitores, un conocido y Cx, por el sonido emitido por este oscilador simple. Los capacitores de 10 nF a 47 uF pueden ser probados. La emisión del sonido indica que el capacitor está con y el sonido emitido puede darnos una idea de su valor. El circuito puede ser alimentado por 2 a 4 pilas pequeñas.




