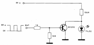
Con el circuito de shield mostrado es posible modular un LED para transmisión de datos a partir de una salida TTL. El transistor se puede sustituir por equivalente como el BC548 o incluso el 2N2222. La alimentación se realiza por 5 V y el LED es del tipo infrarrojo. El circuito puede ser usado en un enlace de corto alcance o para transmisión vía fibra óptica.




