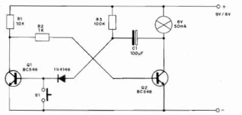
Presionando S1 por un momento, este circuito cambia de estado, encendiendo la lámpara de 6 V por un intervalo de tiempo que depende de C1 y R3. Al final del tiempo previsto, la lámpara se apaga y el circuito se puede volver a disparar. C1 puede cambiarse, y la alimentación también se puede hacer con 9 V, si se utiliza la lámpara para esta tensión.




