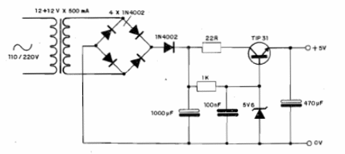
Esta fuente de hasta 500 mA está indicada para la alimentación de circuitos integrados TTL. El transistor debe estar dotado de radiador de calor y se puede utilizar un transformador más pequeño si la corriente de la carga es menor. La resistencia de 22 ohms debe ser de al menos 2 W de disipación.




