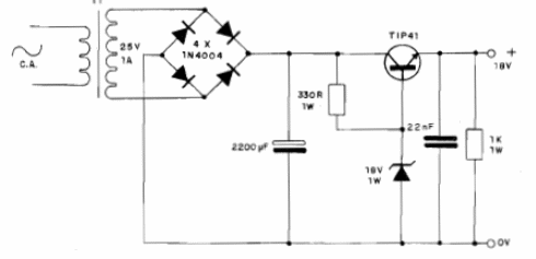
Esta fuente se puede utilizar para alimentar amplificadores de audio hasta 1 A y otros equipos que requieran una tensión de 18 V. El transistor debe montarse en un radiador de calor. Con cambios sólo en el zener esta fuente puede proporcionar tensiones en el rango de 15 a 22 V. Para otras tensiones y corrientes existen varias otras fuentes en el sitio.




